Description
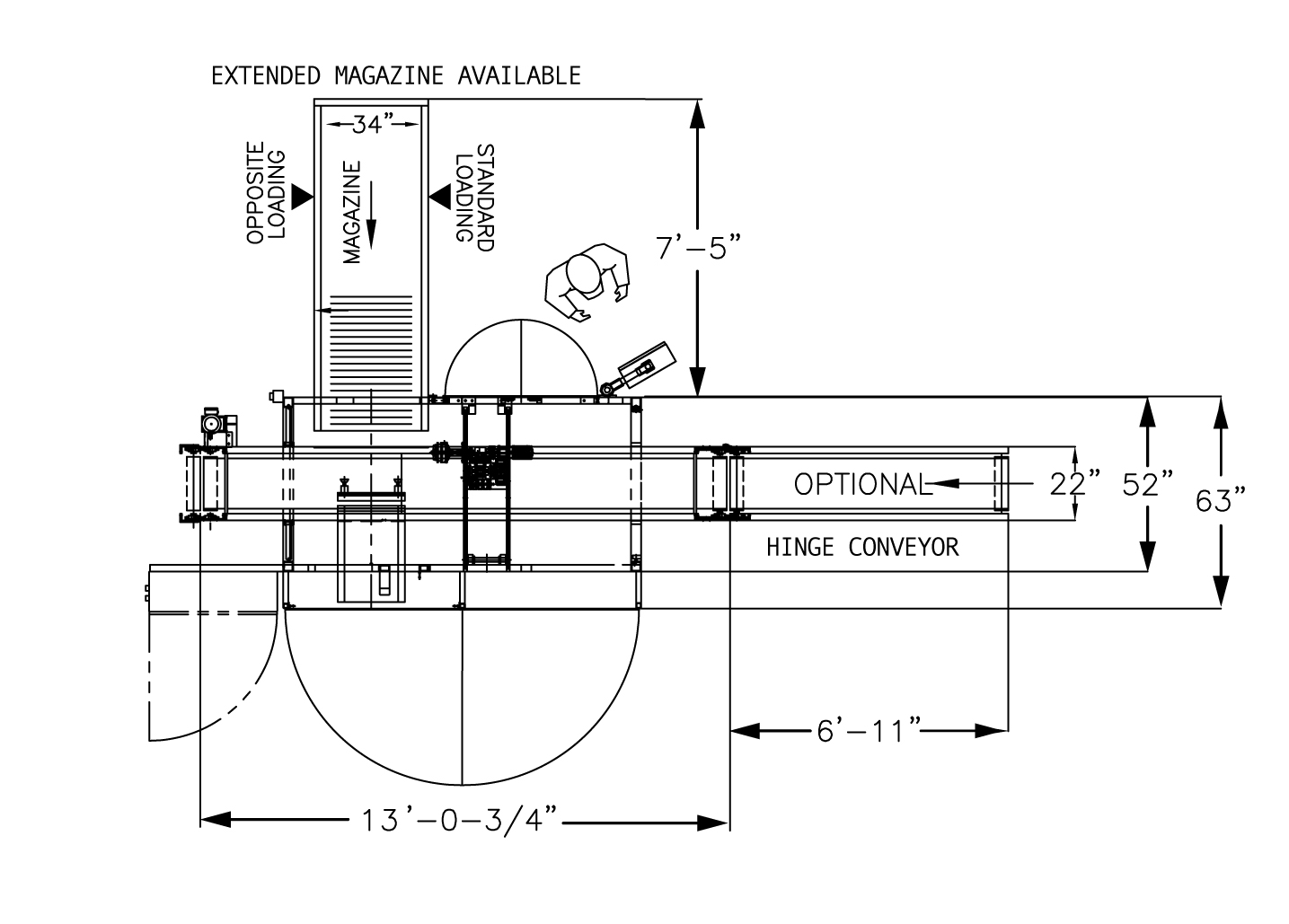
Last used in a Brewery placing partitions in 24 packs of 12oz. glass bottles, Very Good Condition, Speeds to 25cpm, Inserts One Partition Per Cycle, Easy Load Magazines, Lexan® Safety Doors with Allen Bradley Anti-Intrusion Switches, Rugged MIG Welded Rectangular Steel Frame, Wide Range of Partition Sizes and Styles in Corrugated or Solid Fiber, Allen Bradley PLC Controls


















